聯系方式 |
| 電話(市場部):0517-86851868 |
| 0517-86882048 |
| 0517-86881908 |
| (拓展部):0517-86882683 |
| 傳真:0517-86851869 |
節假日商務聯系電話:
何經理:13655238295
紀經理:18015196880 |
| 郵編:211600 |
| 網址:http://www.hengtesm.cn/ |
| http://www.sukeyb.com/ |
| E-mail:china-suke@163.com |
| sukeyb@163.com |
地址:江蘇省金湖縣工業園區環城西
路269號 |
|
|
 |
您現在的位置 > 首頁 > 行業新聞 > 孔板流量計與差壓計連接測量氣體 |
孔板流量計與差壓計連接測量氣體 |
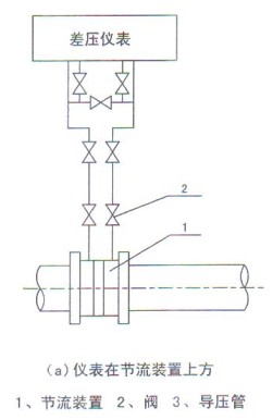
(1)、孔板流量計安裝位置
孔板流量計安裝時應將節流裝置裝在上方,以使導壓管內所產生的冷凝液流回輸送管道。如圖a所示。
如果孔板流量計不得不裝在節流裝置下方時,為了減少水分凝結在導壓管內,從節流裝置開始引出的導壓管裝有U型管道,上端至少應高于輸送管道中心線0.7米。如圖b所示。
 
(2)、導壓管開口位置
在水平或傾斜的輸送管道上,為了避免輸送管道中冷凝液進入導管,導壓管應從節流裝置截面的上半部引出。
(3)、若其他中含有污物和灰塵,到導壓管彎處應裝十接頭,以便清洗和吹洗。
|
|