D971X-16電動蝶閥廣泛應用于石油、化工、發電、造紙、原子能、航空火箭等各部門,以及人們日常生活中。
D971X-16電動蝶閥產品參數
名稱:電動304板蝶閥
工作壓力: 1.6MPA
閥體材質: 304不銹鋼
密封圈材質:乙丙密封圈/閥板球磨鑄鐵
工作溫度: -20℃~120℃
適用介質:水、天然氣等
D971X-16電動蝶閥電動執行器分析




D971X-16電動蝶閥產品尺寸


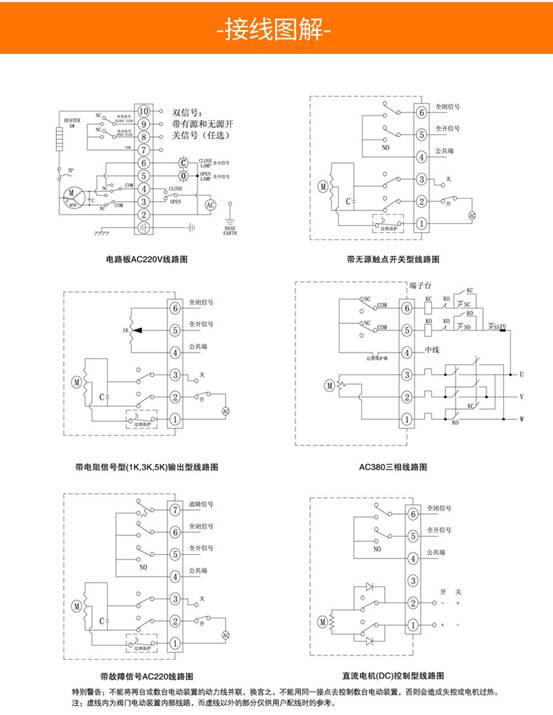
D971X-16電動蝶閥接線圖解

D971X-16電動蝶閥常見問題
安裝注意事項:
1.本產品屬非防爆產品,故不能安裝在有爆炸性氣體室內。
2.安裝在水霧飛濺的場合時,請加防護罩,以免造成滲水而損壞機器。
3.室內安裝還應該預留進線,手動操作所需空間。
4.室外安裝請加防護罩,減少陽光直射,避免機內元器件加速老化。
5.請確保手動操作口橡膠堵塞已蓋緊,以策萬全。
電動法蘭蝶閥保養
1.要經常檢查管道有沒有鐵銹、焊渣、臟物、塵士;
2.要經常檢查支承,自重較大及有震動場合的支承架;
3.氣源絕對不能有故障;
4.閥體與上閥蓋連接處密封墊使用久了,要及時更換,更換時只需卸下.上閥蓋就可安放新的密封墊;
5.填料函如有滲漏要及時更換密封填料,更換時將閥桿脫開,壓板和填料壓蓋取下,即可裝入新的填料;
6.定期檢修;
7.長期停放時,應裝.上連接法蘭的保護罩,所以接口都要用塑料塞堵上。停放時,
保證閥整體的垂直性或水平位置;
8.不要將閥支承在敏感部位,如閥門定位器、接頭、連線等處